Магазин запчастей для бытовой техники - Arlos
Москва
close
Выберите ваш регион
АбаканАлександровАльметьевскАнгарскАрзамасАрмавирАртемАрхангельскАстраханьАчинскБалаковоБалашихаБеларусьБелгородБердскБерезникиБийскБлаговещенскБратскБрянскВеликий НовгородВидноеВладивостокВладикавказВладимирВолгоградВолгодонскВолжскийВологдаВолховВоркутаВоронежВоскресенскВыборгГатчинаГеленджикГрозныйДедовскДербентДзержинскДзержинскийДимитровградДмитровДолгопрудныйДомодедовоДонецкЕвпаторияЕгорьевскЕкатеринбургЕлецЕссентукиЖелезногорскЖелезнодорожныйЖуковскийЗеленоградЗлатоустИвановоИвантеевкаИжевскИркутскИстраЙошкар-ОлаКазаньКалининградКалугаКаменск-УральскийКамышинКаспийскКемеровоКерчьКировКисловодскКлинКовровКоломнаКомсомольск-на-АмуреКопейскКоролёвКостромаКотельникиКрасногорскКраснодарКраснознаменскКрасноярскКурганКурскКызылЛенинск-КузнецкийЛипецкЛобняЛыткариноЛюберцыМагнитогорскМайкопМалаховкаМахачкалаМиассМоскваМурманскМуромМытищиНабережные ЧелныНазраньНальчикНаро-ФоминскНахабиноНаходкаНевинномысскНефтекамскНефтеюганскНижневартовскНижнекамскНижний НовгородНижний ТагилНовокузнецкНовокуйбышевскНовомосковскНовороссийскНовосибирскНовоуральскНовочебоксарскНовочеркасскНовошахтинскНовый УренгойНогинскНорильскНоябрьскОбнинскОдинцовоОктябрьскийОмскОрелОренбургОрехово-ЗуевоОрскПавловский ПосадПензаПервоуральскПермьПетрозаводскПетропавловск-КамчатскийПодольскПрокопьевскПсковПушкиноПятигорскРаменскоеРеутовРостов-на-ДонуРубцовскРыбинскРязаньСакиСалаватСамараСанкт-ПетербургСаранскСаратовСевастопольСеверодвинскСеверскСергиев ПосадСерпуховСимферопольСмоленскСосновый БорСочиСтавропольСтарый ОсколСтерлитамакСтупиноСургутСызраньСыктывкарТаганрогТамбовТверьТихвинТольяттиТомилиноТомскТроицкТулаТюменьУлан-УдэУльяновскУссурийскУсть-ИлимскУфаУхтаФеодосияФрязиноХабаровскХанты-МансийскХасавюртХимкиЧебоксарыЧелябинскЧереповецЧеркесскЧеховЧитаШахтыЩелковоЭлектростальЭлистаЭнгельсЮжно-СахалинскЯкутскЯлтаЯрославль
  • - бесплатно по РФ
    Автоперезвон. Работает по принципу: Вы позвонили на номер, мы сбрасываем звонок и перезваниваем через 3 секунды.
  • - по Москве
  • 8 (925) 663-83-63

Call-центр

пн-вс: 10:00-19:00

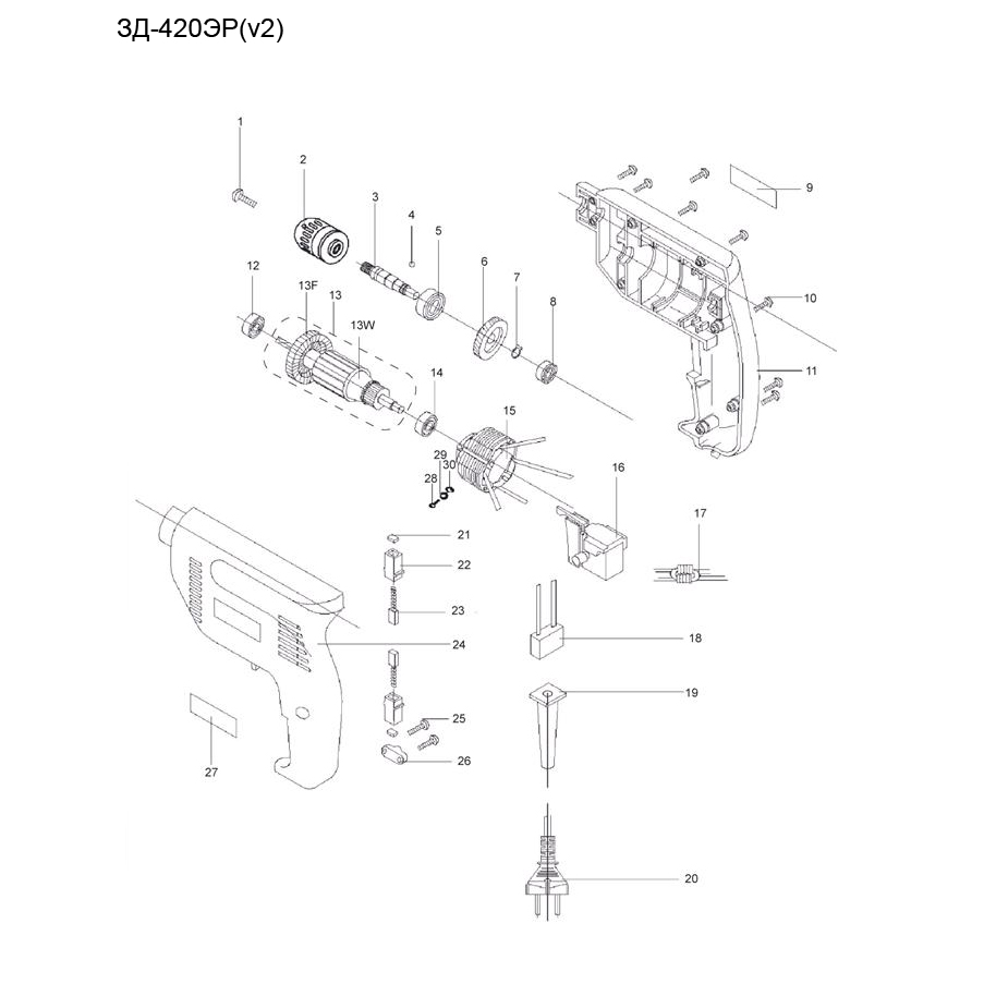
Дрель реверсивная ЗД-420ЭР

Данная модель имеет несколько схем

NАртикулНазваниеСрок отгрузкиЦенаКупить
1 UM01-001-004 Винт M5х20 (Левая резьба) 34 р.
1.09 U009-607-RS0 Подшипник шариковый 607 RS (19х7х6) U009-607-RS0 для болгарок УШМ-П125-850, AGS-125-1000 286 р.
1.20 U009-608-RS0 Подшипник шариковый 608-2RS (22х8х7) U009-608-RS0 для пил ЗПС-850 Э, ЗПТ-210-1300-Л 306 р.
2 UACK-10-3/8 Патрон быстрозажимной для дрели, 3/8, 0-10мм 383 р.
3 U102-400-003 Шпиндель #Wu 189 р.
4 U261-122-013 Шарик стальной D3 84 р.
4 U009-626-RS0 Подшипник шариковый 626-2Z (19х6х6) U009-626-RS0 для ДУ-600, ЗДУ-580ЭР 92 р.
5 U009-600-1RS Подшипник шариковый 6001-2Z (28х12х8) CHFZ 286 р.
6 U102-400-006 Шестерня промвала #Wu 286 р.
7 UM06-001-003 Кольцо стопорное разжимное UM06-001-003 для ЗПЛ-350-190, ЗУШМ-115-720 92 р.
10 UM02-000-027 Саморез 4x18 PH2 92 р.
11 U502-420-011 Корпус правая часть 480 р.
13 U102-400-013 Ротор #Wu 674 р.
15 U102-401-016 Статор #Fu 577 р.
16 U102-400-016 Выключатель FA2-4/1BEK 4(4)A 250V ~5E4 #Wn 445 р.
17 U352-120-057 Катушка индукторная #Fu 92 р.
18 U351-900-101 Конденсатор 0.22мкФ х2+2х2200pF 250V 92 р.
19 U098-003-001 Воротник шнура 92 р.
20 U099-004-005 Шнур сетевой резиновый 2х0.75мм 2м 189 р.
21 U252-651-022 Крышка щеткодержателя 10х8 92 р.
22 U502-420-022 Щеткодержатель
23 U352-850-028-W Щетка графитовая (пара) 5х8х11 189 р.
24 U502-420-024 Корпус левая часть 480 р.
25 UM02-000-026 Саморез 4x17 РН2 92 р.
26 U252-651-028 Прижим шнура #Fu 92 р.
28 UM01-000-132 Винт M4х37 РН2
29 UM04-001-002 Шайба-гровер D4 92 р.
30 UM05-000-002 Гайка M4 92 р.
Найдено товаров: 28
1
▲ Наверх
0
8 (925) 663-83-63

Call-центр

пн-вс: 10:00-19:00

НАЙТИ ПО МОДЕЛИ
Введите номер заказа
Введите номер своего заказа, что бы узнать его текущий статус.
Что бы получить доступ к расширенным функциям, пройдите не сложную регистрацию. Зарегистрироваться